EV Current Sensor SP31MD12
FEATURES
- Open loop hall-effect technology
- Quick response time
- Nominal primary current:50A~800A
- Ambient temperature :-40℃-125℃
APPLICATIONS
- AC variable speed and servo motor drive
- DC motor drive static converter
- Wielding machine
- Telecom power supply
- UPS
- Switch power supply
ELECTRICAL DATA(Ta=25℃±5℃)
|
Parameter |
symbol |
unit |
Min. |
typical |
Max. |
condition |
|
Nominal primary current |
Ipn |
A |
- |
50 |
- |
_ |
|
Peak current |
Ipm |
A |
0 |
- |
+50 |
- |
|
Supply voltage |
Vc |
V |
+10.8 |
+12 |
+13.2 |
- |
|
Nominal output |
Vsn |
V |
0.5 |
- |
4.5 |
@ Vc=+12V |
|
Current consumption |
Ic |
mA |
- |
- |
20 |
@ Vc=+12V |
|
Load resistance |
RL |
KΩ |
10K |
- |
- |
- |
|
Overall accuracy |
X |
%FS |
-0.5 |
_ |
0.5 |
@25℃ |
|
linearity error |
ε |
%FS |
-0.5 |
- |
0.5 |
@25℃ |
|
Electrical zero offset |
Vo |
V |
|
0.01 |
|
@Ip=0,TA=25℃ |
|
Magnetic zero offset |
Voh |
mV |
-20 |
- |
20 |
@Ip= Ipn→0 |
|
Thermal drift of Vo |
Vot |
Mv/℃ |
-0.3 |
±0.03 |
0.3 |
@Ip=0, TA=-10~70℃ |
|
Thermal drift of Vsn |
Vt |
%/℃ |
-0.1 |
±0.03 |
0.1 |
@Ip= Ipn, TA=-10~70℃ |
|
Response time |
Tr |
mS |
- |
0.2 |
1 |
@100A/μS, 10%-90% |
|
Band width |
BW |
KHZ |
0 |
- |
10 |
-3dB |
|
Ambient operating temperature |
TA |
℃ |
-10 |
25 |
70 |
_ |
|
Storage temperature |
TS |
℃ |
-10 |
25 |
70 |
_ |
|
Mass |
G |
g |
_ |
68 |
_ |
_ |
|
Insulation voltage |
Vd |
KV |
- |
2.5 |
- |
@ 50HZ,AC,RMS,2mA,1min |
|
Insulation resistance |
Ris |
MΩ |
_ |
100 |
_ |
500VDC |
|
Creepage distance |
dCp |
mm |
- |
6.45 |
- |
Terminal to inner hole |
|
Clearance distance |
dCi |
mm |
- |
5.17 |
- |
Terminal to inner hole |
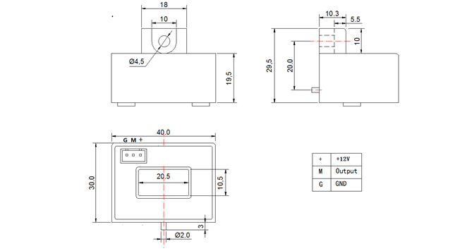
DIMENSION(MM)

General tolerance:±1mm
STANDARDS
- UL94-V0
- EN60947-1:2004
- IEC60950-1:2001
- EN50178:1998
- SJ 20790-2000
Hot Tags: ev current sensor sp31md12, China ev current sensor sp31md12 manufacturers, suppliers, factory, EV Current Sensor SP31MD12, EV electric Vehicle Solar Energy Current Sensor, Solar Energy Current Sensor SP128GD5, Electric Vehicle Snesor SP2106D5, Current Sensor Solor Energy SPLS, Current Transducer SP15D5
Previous
No InformationYou Might Also Like
Send Inquiry












